本文讨论了一个简单又准确的宽范围的电感仪表电路。该设计仅利用晶体管作为主要有源部件和少量廉价的无源元件。
所提出的电感计电路可以在给定的范围内精确地测量电感或线圈值,并且作为电路的奖励也能够准确地测量互补电容值。
电路操作
可以通过以下几点理解电路功能:
众所周知,电感器根本值与发电频率或涉及脉动或交流供应的单词相关。
因此,为了测量我们需要强制它们的特定功能,以便能够提取其隐藏特征或属性来迫使它们。
这里,所讨论的线圈被迫以给定的频率振荡,因为该频率取决于特定电感的L值通过模拟装置可测量,例如在适当地将频率转换为放大的电压/电流之后的模拟装置。
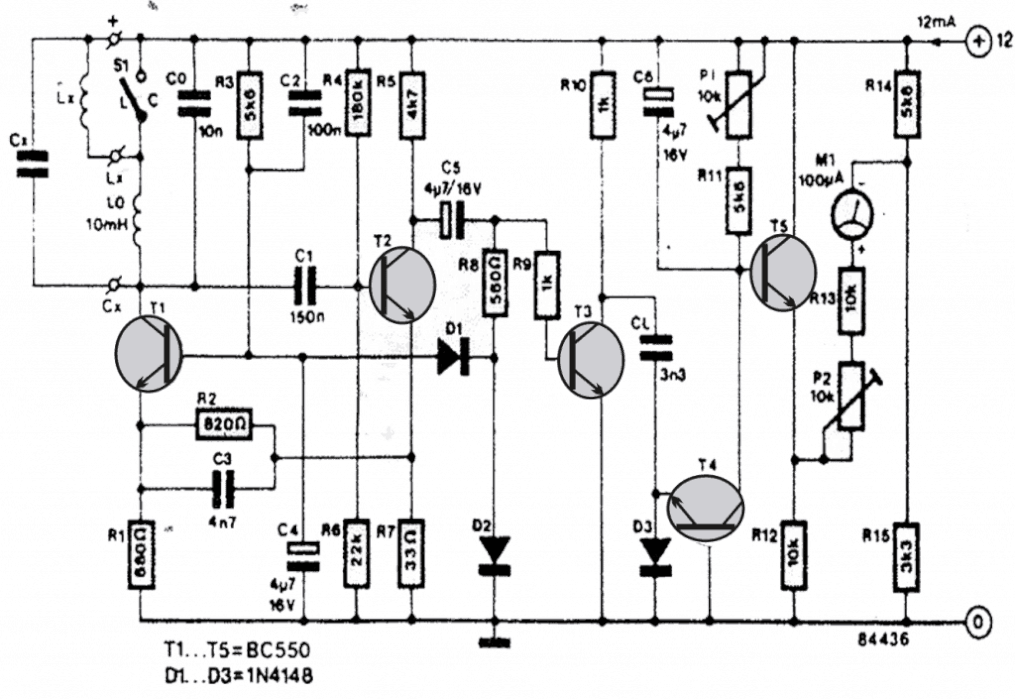
在所示的电感计电路中,沿LO,LX,CO,CX一起形成一个Colpitts振荡器类型的自振振型,其频率由上述L和C组件直接确定。
晶体管T2和相关部件有助于在T1的集电极处放大产生的脉冲,以合理的电位供给到包括T4 / T5的下一阶段,以进一步处理。
T4 / T5阶段提高电流并将获取的信息集成到可观的水平,以便在连接的UA仪表上变得可读。
范围选择选项
这里CX和Co基本上提供了范围选择选项,许多具有精确值的良好质量帽可以定位在槽中,提供通过旋转开关选择所需的帽。这将允许任何所需范围的即时选择设施,以使任何特定电感的更宽测量。
相反,正确测量的电感器/电容器可以定位在CO,LO和LX处,用于获得CX处的任何未知电容的等效仪表偏转。
P1和P2可用于监控和调整仪表的零位置,它还允许在仪表上进行微调所选范围。
仪表FSD校准可以通过使用公式来实现:
ni = nm(1 - fr)/(1 - Fc)
其中NI是测量的划分的数量,NM =刻度的划分总数,FR =相对频率,FC =测量的最小相对频率。
电流消耗将在12V时在12mA左右,而正在测量电感。
电路图

您使用哪些软件进行模拟和验证这些设计?谢谢。
思考模拟
R8,R11,R14,R1在Rasistains Ki Valy Kiya嗨Saf Dikh Nahi Raha Ro Y 10UH My Kitny Tarns嗨,LX Kiya Hi Bataiy先生
R8 = 560欧姆
r11 = 5.6k.
R14 = 5.6k.
R1 = 680欧姆
L0是固定电感器,LX是需要测试的电感器。
10UH电感可以从任何电子零售商商店采购Readymade
先生,
仪表的配置是什么?我可以使用PMMC型电压表还是其他?
是的,这种设计需要移动线圈类型仪表,但是100ua是指定的评级,需要升级或修改V米以使其兼容
嗨洼地
我已经制作了一个函数发生器,并试图通过电感器通过不同的波形,以试图锻炼电感但没有积极的结果。
我想尝试理解上述电路。
我知道如何在Colpitts振荡器(两个盖子和一个电感器中的一个电感器中)计算出谐振频率。
您如何在上图中包含。
是吗,如果你知道co,cx,lo的价值,那么你可以以某种方式制定lx?
......如果你知道lo,lx和co的价值,那么你能解决cx吗?
和传闻上的偏转如何将其改为Farads或Henries
关于罗宾
嗨罗宾,
波形对电感器R电容器没有影响,因此不能用作用于确定电感或电容值的参数。
是的,在上图中,所有提到的元素都是相互依存的,基本上必须具有标准电感器和具有已知值的电容,然后可以使用这些元件来校准仪表。一旦用这些已知值校准仪表,就可以在仪表拨号上按比例校准其他未知值......“读数”是绝对线性的。
我可以使用C945晶体管而不是BC550?
是的你可以
嗨,谢谢你的ansver。
大会后,我有一些问题,万用表显示各种线圈的一个值。
使用所有标称值如图所示,除晶体管外,我使用了2Sc9014 Coz,它们具有相同的电压和神HFE,同样检查错误,一切正常。
我在2mA范围内设置了万用表(没有目前UA,带箭头),然后连接12V蝙蝠。
万用表显示线圈未连接时静态值0.067ma。
当线圈连接时,显示0.021mA并且无论是标称的,但是C5显示不同的电压,也不显示P1和P2不会产生任何改变。
似乎C5工作后的电路的第二部分不同,任何想法,如何使其工作?
谢谢。
嗨,我真的很抱歉这个设计不是我的,它来自Elektor Electronics杂志,因此对我来说可能很难进行故障排除。
您可能会尝试以下内容,它是一个测试的设计
//m.addme-blog.com/15-v-inductance-meter-circuit/