几个非常简单的频率计数器电路如下所示,可以很容易地被任何电子爱好者为预期的目的建立。电路图是kapital先生通过Fiverr.com上的一个订单提供的,他让我解释它的功能。
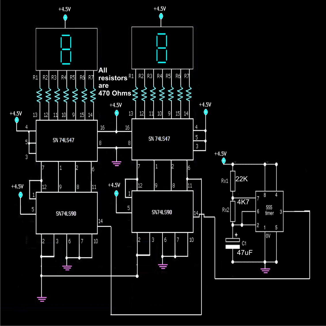
1)频率计数器使用IC 74LS47
第一个电路可以用以下几点来理解:
1.IC 555配置为AMV (stable mutivibrator mode)模式。
2.AMV是一种配置,IC555在其引脚3产生交替的高、低脉冲。
3.这些脉冲仅仅是以一定的速率连续产生正电压;举个例子,一分钟内有20个正负交变电压峰值。通过调整电容和电阻器的值来调节产生的脉冲速率。
4.在电路中,74ls90和74LS47用于计算IC555的上述脉冲。
5.IC74LS90接受来自IC555的脉冲在其输入引脚号14。
6.它的内部电路将这些脉冲以特殊码(二进制)的形式转换,并按照一定的顺序通过其输出引脚号12、9、8、11馈送到解码器IC 74LS47。
7.上述编码被解码IC 74LS47的输入引脚7,1,2,6按照上述相同的顺序接受。
8.IC74LS47现在解码这个二进制信息,并以这样的方式照亮LED显示条,它开始显示数字1到9响应由IC555产生的脉冲,这意味着,IC555产生的第一个脉冲显示一个no。1在右手边显示,下一个脉冲使它显示数字2,然后3,以此类推,直到显示数字9。
9.在上述过程中,左边的显示器继续显示数字零。
10.然而,当右侧显示达到数字9时,下一个脉冲从右侧IC74LS90的引脚11溢出,并可用于左侧IC74LS90的引脚14,现在重复上述程序。
11.所以现在左手边开始通过显示数字1到9来继续计数,我们看到正在进行的计数与显示模块一起显示数字11,直到数字99。
12.这是显示的计数器设计可以显示的最大位数。
13.为了使计数器成为一个三位数的计数器或一个四位数的计数器,简单地,可以在给定的图中连接两个模块时,按照相同的引脚输出顺序将上述阶段相加。
14.第一个模块的引脚14处的输入可以替换为需要监控或需要计数的任何类型的脉冲。
连接到电源的正负极的ic的引脚是相应ic的电源输入引脚,需要精确的5伏电压才能工作。
每个显示器上的电阻R1到R7被连接来限制显示led的电流,以保持恒定的照明,也为保护显示led免受损坏。
2)使用单个IC 4033的频率计数器电路
下一个电路可以用来测量或计数频率或Hz。该IC是非常简单的,利用一个单一的IC 4033和一个普通的阴极显示器作为主要成分。
介绍
如果需要测量两位数或三位数量级的较高频率,则简单将模块数串联即可。下面所示的简单频率计数器电路将有效地将其输入的任何脉冲转换为7段阴极块上的显示器。IC内部有一个BCd到7段转换器,直接将其输入的脉冲转换为连接的显示块上的可读数字条。
电路操作
一个单一的IC 4033只能处理一个普通的阴极显示块,因此所示电路能够显示从0到9的数字,以响应其输入端的相关时钟。
IC可以很容易地在任何点复位。例如,假设在输入端应用了6个时钟,显示器现在的读数是6,如果需要,只需按下显示的按钮,就可以将其还原为零。
引脚1是时钟或脉冲用于计数的输入。
以便使计数器能够数到2位、3位或4位等仅包括将图中所示的相关模块数进行整合,并将其输出按如下方式连接:
将第一个模块的5引脚连接到下一个模块的时钟输入,将第二个模块的5引脚连接到第三个模块的时钟输入,以此类推。
使复位引脚通用,以便一个按钮可以用来复位所有模块一次。
供应终端也将需要变成普通轨道。
为了解耦的目的,一个0.1uF的电容应该连接到靠近电源轨道。
线路图
移除555 IC,并将其替换为需要测量频率的电路.....并将其输出与计数器IC的14引脚连接
我需要一个频率计电路设计使用proteus为我的uni项目,有人可以帮助吗?谢谢你不管
我有一个蜂箱,想要数蜜蜂进出蜂箱的数量。
这样我就可以确定每天有多少蜜蜂返回蜂巢,并跟踪蜂巢的健康状况。
我对电子知识知之甚少。
欢迎任何回应。
约翰
对于像蜜蜂一样随机的东西来说,很难计算进入和退出的次数,我现在没有这个电路。