该风扇速度控制器通过感测发动机的温度而工作,因此用于触发。随着温度的增加,风扇电机的速度使得风扇电机的速度使得反之亦然。
电路操作
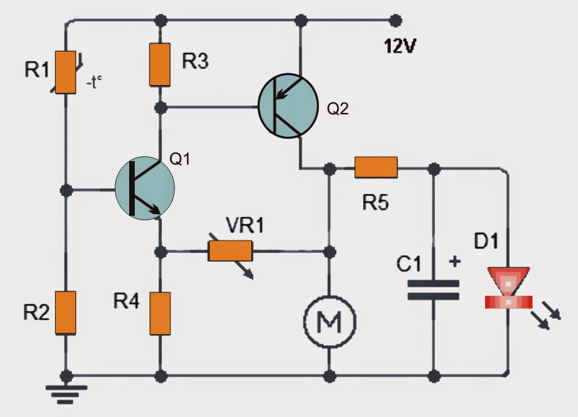
所提出的温控风扇的操作可以理解如下:
DC电动机改变的速度随着温度的增加,其被转换成比例上升电压并在其端子之间施加。
测量温度热敏电阻(R1)尽可能接近地放置在您希望他使用感测温度的位置。
在该图中,可以看到热敏电阻(R1)和电阻器(R2)用于形成分压器网络。建议R2的值大约约为R1值的十分之一。
随着温度热敏电阻值降低,使晶体管Q1成比例地饱和。
由于Q1的集电极连接到Q2的基极,因此Q2基极的电压也响应上述并减少
在Q2的底座上的电压减小,该Q2变得较硬,使得集电极发射极电压(VCE)降低,从而强化电动机的集电极端子上的电压。
电机的最大转速将略低于其额定规格。
除此之外,对于精确的电路操作来说,知道温度以控制发动机转速可能不是非常必要的,LED可以按照图中所示使用。随着发动机转速的增加,LED灯会相应地变亮。
线路图

零件清单
R1: 15 k热敏电阻
R2:1.5K.
R3: 1 k
R4: 47
R5: 680
VR1:预设22 k
C1: 100 uf / 25 v
Q1: 2N2712 (NPN)或相等
Q2:BD140(PNP)或等同物
D1领导
M:电机直流刷或无刷
注:直流电机可以不同于计算机电机。确保电机的额定电流不超过晶体管的额定Q2。(最大电流1.5安培)。建议不要超过1安培,使用水槽。
随着温度热敏电阻值降低,使晶体管Q1成比例地饱和。
由于Q1的集电极连接到Q2的基极,因此Q2基极的电压也响应上述并减少
亲爱的先生,我无法理解以下行请解释简单的单词(Q2的底座上的电压降低,导致集电极 - 发射极电压(VCE)降低,从而降低电动机集电器端子上的电压。的)
谢谢你,先生
巴拉
亲爱的巴拉,
由于R1降低T1由于R1的更大电压而导致的,这又为T2基底提供了更多的负电压,并且在晶体管完全接通之前
亲爱的Swagatam,
在零件列表中,VR1预设为22K。为什么这是一个可变电阻?此外,为了能够调整风扇的初始速度,是否可以用可变电阻替换R4,如果是这样,一个合适的值是100K与初始设置到中点?
我要感谢您向世界提供这一精彩资源。我已经看到许多国家的评论,我希望您知道您的知识和分享意愿,非常感谢。
拍
Tigard,俄勒冈州,美国
谢谢,拍拍,
我假设VR1实际上是用来设置风扇的初始速度。通过VR1的更高阻力将允许更高的初始速度,反之亦然。
该电路不是由我设计的,它看起来很好,应该像提议一样工作。
谢谢你的善意解释先生,
令人敬畏的网站!这么多项目和电路尝试,谢谢!!
问题:这个电路是否解决了PWM,或者您必须实现555芯片吗?
第二:我可以用更大的MOSFET制作这项工作,范围为30-35安培,如果是这样的推荐吗?
第三:我有一个热电阻,它是@ 2795欧姆@ 77*F,希望运行到104*F,这个温度我是@ 1465欧姆。我想开始在30-40%的风扇速度,然后全速在104*F,这是可行的这条电路?
提前谢谢! !
谢谢,我很高兴你喜欢我的网站!
该电路不采用PWM,而是根据线性电压的变化来响应热敏电阻的变化。
如果散热没有问题,可能不需要IC 555。
上述热敏电阻将工作,只要确保尺寸R2根据热敏电阻规格,在您的情况下,您可以尝试1K预设R2,并设置相应的,以实现正确的触发阈值
我有一个10k热敏电阻可以使用它。
是的会做!
你能给我解释一下晶体管操作的计算吗?如果我想让马达以28度旋转,我该怎么计算呢?抱歉,我是个新手。
这已经在文章....中解释过了28 degrees operation is not possible using the above circuit