在这篇文章中,我们诊断了PIR激活的消息播放器电路,该播放器电路由诺曼·克利先生发送了这个博客的专用追随者之一进行改进。通过以下讨论让我们了解有关该设计的更多信息。
用PIR输入触发消息播放
我一直在做一个项目,大约一个星期了,但我似乎总是做不好。该项目的目标是,每当一个人触发PIR,就会播放20秒的录音。
记录的信息总共改变了四次。第一触发消息一玩,触发2和第二消息玩,触发3和第三消息玩,触发4和最后消息玩,触发5和第一消息玩。
我还想让两个红色led灯在20秒的信息播放时亮起来。
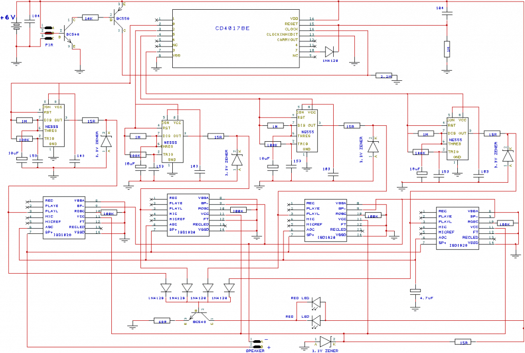
1)PIR输出到步骤CD4017三个步骤。
2)CD 4017输出激活ISD1820记录/播放芯片的引脚2。
3)CD4017以在四个输出后重置。
我已经能够使用一个一次性NE555电路步进CD4017。我还使用NE555一个镜头将CD4017输出馈送到每个ISD1820的引脚2's。这似乎还行,但我有一个艰难的时间让led灯。
我尝试了一个组合NPN/PNP晶体管设置,但我从来没有得到一切正常工作。我没有足够的电子设备来测量晶体管的尺寸,而且在播放录音和发光二极管之间,我一直受到干扰。
我迷路了,我真的需要你的帮助。请你设计一个电路并为我发布它吗?如果您将电路的副本发送给我的电子邮件或Gmail,那将会很好。电子邮件是nkelley6@ustin.rr.com和gmail是ordankelley36@gmail.com
我已经附上了主题PCB的原理图。我有一个工作模型,但即使没有活动,它也会在1.5V下降到低于1V的电池。
所以,有些东西正在排出电池。我从6V运行它,因为PIR不能正常工作,我希望它能够正常运行较长的一段时间。我用4-AAA碱性电池供电。
线路图

这是我的pcb.i有连接a,b到b ... ..,3到3,2到2的跳线。等等。它似乎很好地工作,但我想知道是否有更好的设计。
谢谢你的帮助!
诺曼•凯利
PCB设计
分析电路实现
随意观察使我们觉得电路没有任何缺陷,而且实际上它似乎也很好,但是设计有很多改进的空间,并且在技术上更好地制作了更多的声音。
可以如以下几点所讨论的所讨论的设计改进:
1)IC 555单堡实际上是不恰当地配置IC 4017阶段的阶段,这里可以从IC 4017的引脚供电,从技术上不太确定。基于IC 555的单体杆可直接从电源轨供电,并通过其引脚#2触发。
因此,上述原理图中普遍存在的这个问题可以在下图中得到纠正:
现在这看起来好多了,这里可以从电路+/-直流电源轨中获取单稳态的供应,而触发是从相关的IC 4017引脚向上在单稳态的引脚2。
降低功耗。
如请求所表达,由于许多IC的参与,设计也努力努力,并且它们中的每一个超过7mA。因此,总消耗能够明显高,对于任何小电池都能得到显着高。
为了纠正这个问题,我们需要确保在备用模式期间,除了IC 4017,其余所有的IC保持断开直流电源,只有在连接PIR发现人类存在而消息播放器在20秒的时间段内处于激活模式。
实施方案的确切程序可以在下面是:

这里只有4017 IC从6V电池端子供电,而其他电路阶段从PIR PNP晶体管BC559的集电极供电。
这个想法很简单,人类存在被发现的那一刻,PIR被激活了并沿着信息播放电路的阶段给单稳态供电,信息播放电路对此作出反应并开始播放录制的片段。
该音频信号被发送回PIR NPN晶体管基座并锁存它,以便现在整个电路能够保持供电,只要播放消息即可。
消息播放器完成播放音频剪裁并关闭的那一刻,PIR级也关闭,从而关闭整个连接的电路级,直到检测到下一个人存在,循环重复......
您的评论太有价值!但请看看它们与上述文章有关,并没有偏离主题!