电动势泵电路是一种通过在以太中产生快速旋转的磁通量而被广泛用于识别超自然活动或实体的设备。传统的设备使用固定在电机主轴上的旋转磁铁,但这些都是机械类型,容易磨损。
介绍
所介绍的电路是上述电路的固态版本,其运行更加可靠,并且对于禁止的任务非常有效。据说,超自然实体在强电磁区域的存在下变得更有活力,特别是当磁通量在自然界中迅速变化时。
磁通量丰富了超常存在的存在,因此它的存在变得更严重,并且可以通过普通设备(如射频探测器或电磁场嗅探器)快速追踪。
超自然现象的存在以这种方式被增强,使动物特别非常不安,尤其是像狗这样的动物会在这种条件下立即变得亢奋。
这个电路可以被证明是一个极好的电动势泵装置,用于立即跟踪幽灵和其他超自然活动。
电路操作
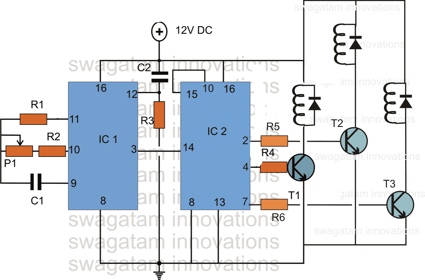
图中显示了一个围绕多功能IC 4017设计的电路,它是一个除以10约翰逊十年计数器IC。
你可以在我之前的一篇文章中了解更多关于这个IC和它的引脚,全面地解释了它在电路中的安装。
基本上,一个时钟脉冲馈电在IC的时钟输入激活它的输出,以从第一个引脚到最后一个引脚的顺序走“高”。
使用IC 4060作为振荡器
振荡器IC 4060被配置为时钟发生器,并向IC 4017提供所需的时钟。
这里我们只使用了三个输出,因为只涉及了三个电磁铁。
作为对所应用的时钟脉冲的响应,IC的输出依次快速移动通过三个输出,只要时钟被馈电就循环。
输出应用于功率晶体管,而功率晶体管又与强电磁铁组件连接。
当IC的输出序列时,晶体管也按顺序开关,触发电磁铁作循环运动。
电磁铁在旋转运动中的快速切换产生高功率磁内流,足以在该区域内邀请“不邀请的”。
该单元的电源最好采用12V 1AH电池源。
为了追踪超自然活动,你可以把这个电路和幽灵探测器电路在之前的一篇文章中解释过,这两种设备合在一起将产生针点结果。

零件清单
R1 = 2平方米
R2 = 1 k
R3 = 1米
R4 R4 r5 = 220欧姆
P1 = 100罐
C1 = 10uF/25V非极性
C2 = 1超滤
T1,T2,T3 = TIP122(应安装在大型散热器上)
IC1 = 4060
IC2 = 4017
电磁铁是手工制作的类型
电磁铁修复细节:
三个电磁铁应固定在木板上,如下图所示,导线终止到组装电路的相关点。

以下是这个博客的一位活跃读者Dan先生发给我的原型模型的图片。


你是对的,铁氧体在更高频率下比铁芯工作得更好,铁芯可能会变得太热,就像感应加热一样
mosfet无疑比晶体管更好,它可以在这里用于更好的效率,然而晶体管也额定工作在更高的频率,所以任何一个将工作,取决于你手中。
mosfet和bjt都像开关一样,能够从1Hz切换到mhz的频率,所以切换速度不是这两个对等物的关注。
放置在线圈上的二极管将像线圈饱和一样迅速地降低线圈的饱和,这样它就总是准备好迎接新的脉冲。
在上面的设计中,Pi、R2和C1共同决定了频率频率,你可以根据自己的需要调整它们以得到任何想要的频率。
我正试图找到一个设备或计划建立一个设备,将产生随机的电磁场噪声频率为30赫兹- 100赫兹,输出约10毫克至50毫克可调。目的是破坏细胞振荡引起的一个恒定的60赫兹高电动势在我的房子。有人建议吗?
我正试图找到一个设备或计划建立一个设备,将产生随机的电磁场噪声频率为30赫兹- 100赫兹,输出约10毫克至50毫克可调。目的是破坏细胞振荡引起的一个恒定的60赫兹高电动势在我的房子。有人建议吗?
它可以用一个4060 IC完成,我很快会在我的博客中展示它。
谢谢!
在电动势泵的电路中,电感器处并联有3个二极管,在元件列表中没有提到。二极管是吗?谢谢你!
你可以使用1N4007
需要有关线圈绕组和线规的信息。
谢谢你!
线圈电阻应该在100欧姆左右
这是针对电磁铁的,对吗?我正在用26 awg漆包铜线和100欧姆来制作我的磁铁,这将花费一生的时间来实现……关于如何使用磁芯,线规等的建议?
是的电磁铁。铁芯应该是层压铁,就像我们在变压器中使用的那样。
亲爱的Swagatam。
你能恢复电磁铁的细节吗?线型,芯径,匝数?
提前谢谢。
你好Nektarois,电磁铁的规格将取决于IC 555的频率。我认为在任何合适的铁芯上绕100圈铜线就足够了,频率为555,大约100赫兹
亲爱的斯瓦卡塔姆,祝你愉快,
非常感谢您的及时回复。
据称。
欢迎你,Nektarios