D类放大器基本上是功率器件(mosfet和BJTs)像开关一样工作的一类放大器。
在这样的放大电路中,相关的输出器件要么完全开启,要么完全关闭,但永远不要在其他未定义的电平之间切换,以确保最小的散热和最大的效率。
这些放大电路的工作原理可以理解如下:
它是如何工作的
一个基于运放的比较器输入两个信号,一个是需要放大的音乐信号,一个是采样的高频三角波信号。
运放被迫将音乐信号与采样三角波进行比较和评估,并产生一个输出,它可以被假设为与原始音乐信号完全成比例并串联,但以PWM或脉冲宽度调制形式。
这个音乐等效PWM被相邻的功率mosfet或BJT级进一步放大,以重现一个水晶清晰的音乐,这可能是一个馈电音乐的精确复制,实现了没有太多的mosfet加热。
这允许相对较低的放大器消耗的传统形式的放大器,在其他类别,如A/B/C等。
设计用于D类放大的集成电路之一是BD5460,它甚至不需要外部扼流圈LC滤波器。通常,电感滤波器对于大多数D类放大器拓扑结构来说是必不可少的,以最小化伴随的谐波和类似的干扰。
技术规格
该芯片非常适合用于微型手持音频设备,如手机、ipod、ipad、调频收音机等。
IC指定在3.7V时输出功率约为2瓦。输入电源范围为2.5 V DC ~ 6.5 V DC。
该IC还具有其他内置功能,如待机功能、短路保护、热关闭和欠压锁定功能。
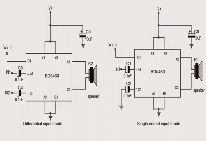
下面的图中可以看到几个使用IC BD5460的D类放大电路。左手端设计为差分输入放大器,右手端设计为单端拓扑。所有0.1uF电容均配置为输入解耦滤波器。
线路图

更多关于IC BD BD5460的信息可以从以下的IC数据表获得。
IC BD5460是否只出现在smd封装上?
不确定,请检查其数据表的信息通过谷歌设备编号
先生,给我一个音频电路图(4英寸扬声器和耳机插孔,usb线作为电源选项)。需要什么组件来建立这个电路。
Irshad,你可以尝试一个LM386 IC电路为您的需求,如下图所示:
//m.addme-blog.com/2012/08/ic-lm-386-datasheet-explained-in-simple.html
我想买功率放大器,o/t功率在4到7瓦特之间,价格在200Rs以内。我能试哪一个?
我不知道,你得上网查一下……