This ultrasonic remote control circuit can be used to switch and control any appliance ON/OFF through a relay in the receiver circuit.
Written by: S.S. Kopparthy
Using Ultrasonic Waves
This circuit is a different one that uses ultrasonic sound waves whose frequency ranges from 40 KHz to 50 KHz.
的se waves can’t be heard by humans as the hearing range of humans limited to roughly 20 KHz only. These waves require air medium to travel unlike infrared waves which are mostly used in remote controls.
的proposed ultrasonic remote control circuit usesultrasonic transducersto produce and receive the ultrasonic signals.
Ultrasonic transducers are used in measuring the distance of an object and various other applications. In this circuit, we use them for a different purpose of making a remote controlled relay.
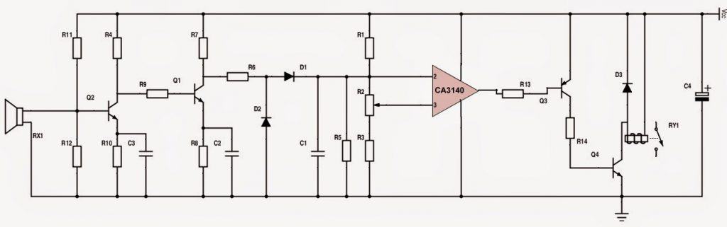
Receiver Circuit
Transmitter Circuit
This project consists of two parts i.e.,ultrasonic transmitter circuit and ultrasonic receiver circuit.
的transmitter circuit consists of a 555 timer IC which is the heart of the circuit. Here, the 555 timer is used in astable multi vibrator mode. It could oscillate at a frequency of 40 - 50 KHz.
的ultrasonic transducer is used to transmit this frequency in the form of ultrasonic waves. A 9v battery can be used to power the transmitter circuit. The variable resistor R3 (in transmitter circuit) can be used to adjust the frequency.
的Receiver Circuit
的receiver circuit consists of two important stages for the processing of the ultrasonic waves received by the receiving transducer.
的first stage is a rectifier which amplifies the signals with the help of the transistors Q1 and Q2.
的rectified and filtered DC is fed to the inverting pin of the operational amplifier CA3140. The inverted output is used to bias the transistor Q3 which energizes the relay and there goes the second stage.
的preset resistor R2( in receiver circuit) can be used to adjust the sensitivity of the circuit.
You can use a 9v SMPS power supply to power the receiver circuit.
的receiver circuit should always remain ON and a push-to-on switch can be used in the transmitting circuit to be used as a remote.
Assemble the circuits on general purpose PCB’s. You can enclose the transmitter circuit in a suitable casing and the transducer, push-to-on switch and LED should be outside of the casing.
Ultrasonic waves are directional in nature and hence, you should direct the waves straight onto the receiving transducer for the relay to activate.
Parts List
- Transmitter circuit:
- R1 – 18K,
- R2 – 10K,
- R3 – 5K variable resistor,
- R4 – 1K,
- C1 – 680pf,
- C2 – 0.01µf,
- C3 – 100µf, 25v,
- L1 – green LED,
- TR1 – ultrasonic transmitter,
- S1 – push-to-on switch,
- Receiver circuit:
- R1 – 10K,
- R2 – 5K variable resistor,
- R3- 10K,
- R4 – 15K,
- R5 – 100K,
- R6 – 10K,
- R7 – 4.7K,
- R8 – 15K,
- R9 – 10K,
- R10 – 12K,
- R11 – 390K,
- R12 – 470K,
- R13 – 27K,
- R14 – 1K,
- C1 – 0.56µf,
- C2 – 0.1µf,
- C3 – 0.22µf,
- C4 – 10µf, 25v,
- D1, D2 – 1N4148,
- D3 – 1N4007,
- Q1, Q2 – BC 548,
- Q3 – BC 558,
- Q4 – SL 100,
- RY1 – 9v relay,
- RX1 – ultrasonic transmitter.

I would like to create an ac low voltage using a homemade transformer by sending a pwm signal to a transistor or f.e.t. and increasing the signal to the base or gate of the transistor or f.e.t. and therefore increasing the voltage. Is it possible? Thanks in advance.
Hi, I was taking a look at this circuit.. I am trying to make a similar remote, which has to be ultrasonic, as it needs to pass through the lining of a tent, an IR will not work.
//m.addme-blog.com/ultrasonic-remote-control-circuit/
I have a fishing alarm, which when activated, turns on a lamp inside my tent using a LM555, giving me time to put a light source on. Would the ultrasonic receivers pick up a beep alarm? or would i need to trigger the remote with a MIC and then using your receiver above with an LM555 to a relay switch.
From where the beep will be generated and how the ultrasonic is supposed to pick it up, please explain with more details?
Thank you Sir for all these precious knowledge & sharing ⭐
My pleasure Vikash!
Nice very good for all Diagram I need
1Diagram so possible