下面的文章介绍了一个简单的声音操作/激活放大器静音电路,使放大器静音本身,一旦声音或外部声音发生在检波器MIC。锡索西亚(Seok Sothea)请求进行巡回审判。
技术规格
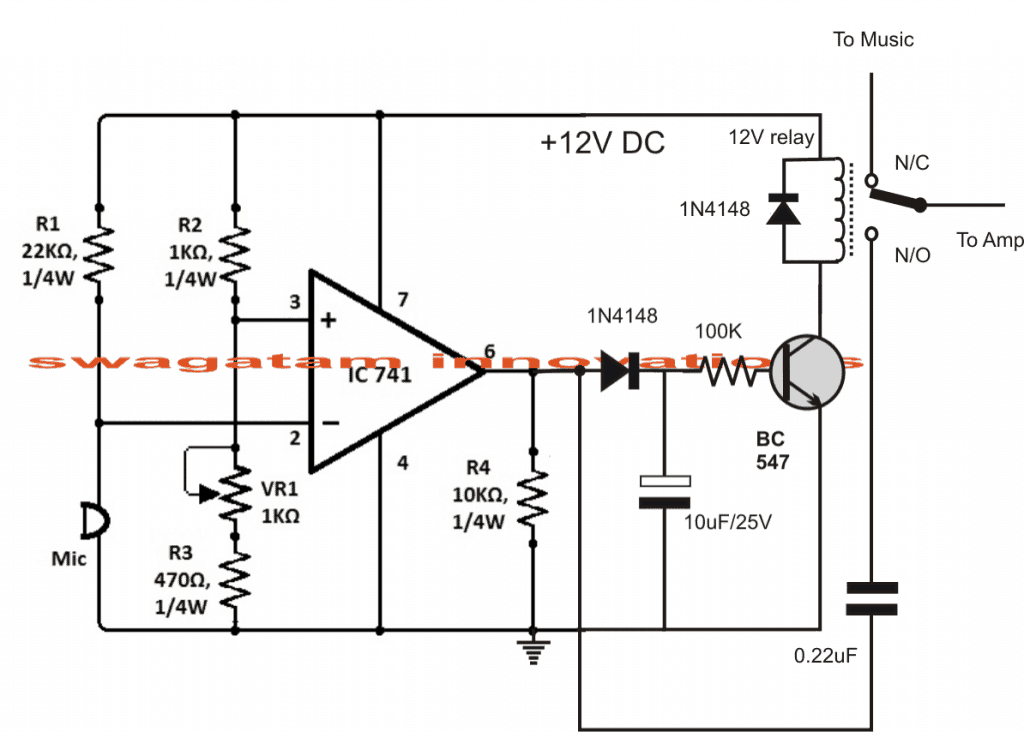
该电路由两个输入端,音频输入端和麦克风,一个放大器输出端组成。
首先,来自任何音频播放器的输入。在播放时,如果自己是任何声音进入麦克风,声音就会变成静音。麦克风发出的声音停止后,音频将在几秒钟内迅速增加其音量至初始音量。先生,你能给我指路吗?
这个电路直接连接到放大器,如果可能的话,它使用放大器的电源。我不知道它是否有用。
只是我的想法,我认为这让人容易控制和玩音乐,像在党内,俱乐部,FM电台,或任何地方播放音乐作为背景声音,他们不需要减少或增加音乐当他们谈论的体积和停止麦克风。
设计
参考下图所示的声音激活放大器静音电路,我们看到只有一个运放被用于建议的动作。
可以通过以下讨论来理解其功能:
当一个外部声音击中MIC,取决于VR1的设置,如果这个声音足够强,拉引脚2电位低于引脚3的设置电位,输出瞬间变高。
这一瞬间高电荷为10UF / 25V电容器,并触发NPN BC547晶体管。
晶体管立即将放大器的输入端拉到地面,造成放大器输出所需的静音或静音。
上述情况持续几秒钟,取决于10u电容和100k基极电阻的值。
上述可根据提高或减少放大器的静音周期的要求而改变。
作为10UF放电,晶体管逐渐抑制其导通,从而导致放大器的指数或慢速上升开关,直到它恢复并达到其全容积。
电路图


哇!非常快。非常感谢您,先生!但有一点我没告诉你。不好意思,先生,我的意思是有一个声音被放大了。当音乐变成静音。麦克风发出的声音被送进扩音器。先生,再次抱歉,我没有抓住这一点。
我已经更新了修改内容,请查收。
非常感谢先生!你帮了我很多。一个问题先生。MIC可以从比较器的输出连接后改变声音吗?我可以直接从麦克风连接到继电器先生吗?
欢迎锡,你是对的,请直接从引脚2而不是从图中错误显示的引脚6输出取麦克风连接。
先生,我从您身上学到了很多东西,谢谢!